Socket Welding Flange nanovo definuje vysokotlakové potrubné spojenia integráciou vynikajúcej pevnosti s bezproblémovou dynamikou tekutín, navrhnutých tak, aby poskytoval bezkonkurenčný výkon v kompaktných aplikáciách s vysokým podielom. Táto príruba, navrhnutá pre rúry s malým priemerom, využíva konfiguráciu objímkového zvárania, ktorá zapuzdruje zvarový spoj v samotnej prírube, čím sa eliminujú vonkajšie výčnelky zvaru a minimalizuje sa prietokový odpor – kritická výhoda v systémoch, kde je prvoradá redukcia turbulencií a hygiena. Skrytý zvar nielen zefektívňuje čistenie a kontrolu v sterilnom prostredí, ako sú farmaceutické alebo potravinárske závody, ale tiež zvyšuje štrukturálnu integritu, odoláva vibráciám a tlakovým rázom v ropných a plynových rafinériách, chemických reaktoroch alebo vysokotlakových parných potrubiach. Precízne opracované z kovanej uhlíkovej ocele alebo nehrdzavejúcej ocele, kombinuje odolnosť proti korózii s výnimočnou pevnosťou v ťahu, čím zaisťuje nepriepustné tesnenie aj pri extrémnych teplotách a tlakoch.
| Rozsah priemerov | DN15(1/2")-DN150(6") |
| Hodnotenie tlaku | 1,6-16MPa |
| Certifikát | PED, AD2000, EAC, ABS, BV, DNV, NORSOK M650, ISO9001, ISO14001, ISO45001 atď. |
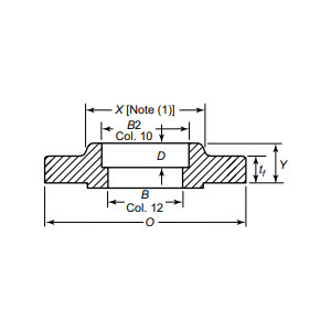
| Predstavenie funkcie | Pripojenie hrdlovým zváraním, Skrytý dizajn zvaru znižuje odpor prúdenia, Optimalizované pre vysokotlakové aplikácie s malým priemerom, Vynikajúci tesniaci výkon |
| Polia aplikácie | Použiteľné pre potrubné prírubové spoje v diaľkových ropovodoch a plynovodoch, pobrežné plošiny, chemické zariadenia, systémy na úpravu vody a potravinársky a farmaceutický priemysel, prispôsobené zložitým pracovným podmienkam. |
| Balenie | Balík vhodný na plavbu, preglejkové obaly alebo palety alebo podľa požiadaviek zákazníka |
| Odporúčané produkty | 1、 Minimálna objednávka v malej dávke; |
Jeho kompaktný dizajn zjednodušuje inštaláciu v stiesnených priestoroch, zatiaľ čo robustné spojenie odoláva cyklickej tepelnej rozťažnosti, vďaka čomu je ideálny pre pobrežné plošiny, turbíny na výrobu energie a hydraulické systémy. Odstránením potenciálnych slabých miest a znížením cyklov údržby táto príruba umožňuje odvetviam uprednostňovať bezpečnosť bez ohrozenia účinnosti. Vďaka zhode s normami ASME B16.5 a prísnym nedeštruktívnym testovaním zaručuje spoľahlivosť pri kritických operáciách. Pre inžinierov, ktorí hľadajú kompaktné, vysokotlakové riešenie, ktoré spája odolnosť s optimalizáciou kvapalín, je násuvná zváracia príruba tou najlepšou voľbou. Pozdvihnite svoju infraštruktúru ešte dnes pomocou našich precízne navrhnutých prírub – kde sa inovácia stretáva s odolnosťou a umožňuje vašim systémom pracovať s presnosťou, bezpečnosťou a neochvejnou istotou. Vyberte si dokonalosť, vyberte si vytrvalosť a premeňte potenciál svojho potrubia.
Od suroviny až po konečnú dodávku udržiavame prísnu kontrolu v každej fáze, aby sme zaistili trvanlivosť, výkon a konzistenciu.
01
02
03
04
05
06
07
08
09
10
11
12
