Lap Joint Flange nanovo definuje flexibilitu v potrubných systémoch a ponúka dynamické riešenie pre riadenie tepelnej rozťažnosti a kontrakcie a zároveň umožňuje bezproblémovú demontáž v nízkotlakových aplikáciách. Tento inovatívny dizajn, ktorý kombinuje robustný prírubový krúžok s otočným prírubovým komponentom, umožňuje riadený axiálny pohyb potrubí a účinne absorbuje posuny vyvolané teplotou bez ohrozenia štrukturálnej integrity. K dispozícii v dvoch konfiguráciách – typ s tupým zvarovým krúžkom (PJ/SE) pre vysoko presné zvárané spoje a typ s plochým zvarovým krúžkom (PJ/RJ) pre zjednodušenú inštaláciu – spĺňa rôzne prevádzkové potreby pri zachovaní tesnosti. Príruba vyrobená z prémiovej uhlíkovej ocele alebo nehrdzavejúcej ocele odoláva korózii a mechanickému opotrebovaniu, čím zaisťuje spoľahlivosť v priemyselných odvetviach, ako je chemické spracovanie, úprava vody a výroba potravín, kde je častá údržba alebo modernizácia zariadení rutinou.
| Priemer | DN50(2")-DN2000(80") |
| Tlak | 0,6-2,5 MPa |
| Certifikát | PED, AD2000, EAC, ABS, BV, DNV, NORSOK M650, ISO9001, ISO14001, ISO45001 atď. |
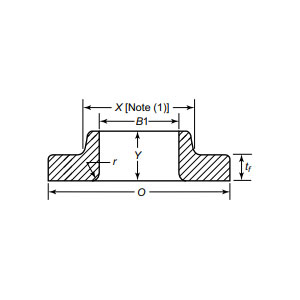
| Predstavenie funkcie | V kombinácii s prírubovým krúžkom a prírubou umožňuje axiálny posun potrubia a znižuje namáhanie tepelnou rozťažnosťou. Typy: krúžok na zváranie na tupo (PJ/SE) a plochý zvárací krúžok (PJ/RJ). Vhodné pre nízkotlakové potrubia vyžadujúce častú demontáž. |
| Polia aplikácie | Použiteľné pre potrubné prírubové spoje v diaľkových ropovodov a plynovodov, pobrežné plošiny, chemické zariadenia, systémy na úpravu vody a potravinársky a farmaceutický priemysel, prispôsobené zložitým pracovným podmienkam. |
| Balenie | Balík vhodný na plavbu, preglejkové obaly alebo palety alebo podľa požiadaviek zákazníka |
| Odporúčané produkty | 1、 Minimálna objednávka v malej dávke; |
Jeho otočný mechanizmus zjednodušuje zarovnanie počas montáže, znižuje náklady na pracovnú silu a prestoje v systémoch, ako sú hydraulické stroje, HVAC siete alebo modulárne priemyselné nastavenia. Izoláciou pohybu príruby od napätia potrubia predlžuje životnosť tesnení a skrutiek, čím sa znižujú dlhodobé náklady na výmenu. Od pobrežných platforiem vyžadujúcich tepelnú kompenzáciu až po farmaceutické závody vyžadujúce sterilné, ľahko čistiteľné spojenia, Lap Joint Flange zaisťuje súlad s normami ASME a EN a zároveň sa prispôsobuje meniacim sa prevádzkovým požiadavkám. Vďaka dôkladnému testovaniu a všestrannej kompatibilite umožňuje inžinierom navrhnúť odolnú infraštruktúru pripravenú na budúcnosť. Inovujte svoje potrubné systémy ešte dnes pomocou našich prírub s prekríženým spojom – kde sa precízne inžinierstvo stretáva s prispôsobivou silou, čo umožňuje vašim prevádzkam prosperovať v dynamických prostrediach. Vyberte si flexibilitu, vyberte si vytrvalosť a odomknite novú éru efektívnosti.
Od suroviny až po konečnú dodávku udržiavame prísnu kontrolu v každej fáze, aby sme zaistili trvanlivosť, výkon a konzistenciu.
01
02
03
04
05
06
07
08
09
10
11
12
