Weld Neck Flange predstavuje dokonalé riešenie pre vysokotlakové a vysokoteplotné prostredia, skonštruované tak, aby poskytovalo bezkonkurenčnú spoľahlivosť prostredníctvom robustného tupého zváraného spojenia a precízne vyrobeného tesniaceho povrchu. Táto príruba, navrhnutá pre kritické aplikácie, sa hladko integruje do potrubí prostredníctvom tupého zvaru s úplným prienikom, čím vytvára monolitickú štruktúru, ktorá odoláva extrémnym tlakom, teplotným výkyvom a mechanickému namáhaniu, vďaka čomu je nepostrádateľná v ropných rafinériách, petrochemických závodoch a jadrových energetických systémoch. Jeho dizajn kužeľového krku nielen posilňuje štrukturálnu integritu, ale tiež minimalizuje koncentráciu napätia, čím zaisťuje dlhodobý výkon v náročných podmienkach. Výrobný proces – zahŕňajúci pokročilé kovanie, tepelné spracovanie uvoľňujúce napätie, precíznu konečnú úpravu, prísne nedeštruktívne testovanie (NDT) a antikorózne povrchové úpravy – zaručuje komponent, ktorý prekračuje priemyselné štandardy z hľadiska bezpečnosti a odolnosti.
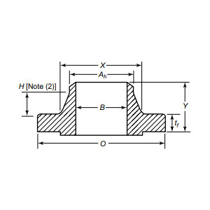
| Priemer | DN15(1/2")-DN3500 (138") |
| Tlak | 0,25-25MPa |
| Certifikát | PED, AD2000, EAC, ABS, BV, DNV, NORSOK M650, ISO9001, ISO14001, ISO45001 atď. |
| Predstavenie funkcie | Spojenie tupým zvarom poskytuje vysokopevnostné tesnenie pre vysokotlakové (HP) a vysokoteplotné (HT) aplikácie, čím sa zaisťuje tesnosť v extrémnych podmienkach |
| Polia aplikácie | Použiteľné pre potrubné prírubové spoje v diaľkových ropovodov a plynovodov, pobrežné plošiny, chemické zariadenia, systémy na úpravu vody a potravinársky a farmaceutický priemysel, prispôsobené zložitým pracovným podmienkam. |
| Balenie | Balík vhodný na plavbu, preglejkové obaly alebo palety alebo podľa požiadaviek zákazníka |
| Odporúčané produkty | 1, Minimálna objednávka v malej dávke; |
Od podmorských potrubí odolných korozívnej morskej vode až po parné turbíny pracujúce pri horiacich teplotách, Weld Neck Flange zaisťuje nepriepustné tesnenie a prevádzkovú kontinuitu. Odvetvia vyžadujúce nekompromisnú kvalitu, ako sú systémy kvapalín v letectve alebo kryogénne skladovanie, sa spoliehajú na jej schopnosť zachovať integritu pri cyklickom zaťažení a vystavení drsným médiám. Kombináciou vynikajúcej odolnosti materiálu s precíznym inžinierstvom táto príruba znižuje náklady na životný cyklus minimalizovaním prestojov a údržby. Pre inžinierov, ktorí majú za úlohu chrániť infraštruktúru s vysokým podielom, je Weld Neck Flange tou správnou voľbou. Zvýšte výkon svojho systému ešte dnes s našimi prémiovými Weld Neck Flanges – kde sa špičková výroba stretáva s odolnosťou priemyselnej triedy, čo umožňuje vašim operáciám zdolať extrémy tlaku, teploty a času. Vyberte si dokonalosť, vyberte si vytrvalosť a vytvorte základ pre budúcnosť vašich kritických systémov.
Od suroviny až po konečnú dodávku udržiavame prísnu kontrolu v každej fáze, aby sme zaistili trvanlivosť, výkon a konzistenciu.
01
02
03
04
05
06
07
08
09
10
11
12
