Závitová príruba prináša revolúciu v konektivite potrubí tým, že ponúka bezpečné, bezzvarové riešenie na spájanie závitových rúrok, čo z nej robí dokonalú voľbu pre prostredia, kde sa nedá vyjednávať o bezpečnosti a prispôsobivosti. Táto príruba je navrhnutá s presným vnútorným závitom a bez problémov sa integruje s pozinkovanými oceľovými rúrami alebo systémami, kde je zváranie zakázané – ako sú horľavé, výbušné alebo vysoko citlivé priemyselné nastavenia. Jeho inovatívny dizajn eliminuje nebezpečenstvo požiaru spojené so zváraním, zaisťuje súlad s prísnymi bezpečnostnými protokolmi a zároveň poskytuje robustné, nepriepustné tesnenie, ktoré odolá vysokým tlakom. Závitové pripojenie umožňuje rýchlu inštaláciu a demontáž, čím umožňuje tímom údržby odstraňovať problémy alebo aktualizovať systémy bez špecializovaného vybavenia, čím sa skracuje prestoje v kritických operáciách, ako je chemické spracovanie, distribúcia ropy a plynu alebo farmaceutická výroba.
| Veľkosť | DN15(1/2")-DN600(24") |
| Hodnotenie tlaku | 0,6-4,0 MPa |
| Rozsah teplôt | -45 ℃ až 260 ℃ |
| Certifikát | PED,AD2000,EAC,ABS,BV,DNV,NORSOK M650,ISO9001,ISO14001,ISO45001 atď. |
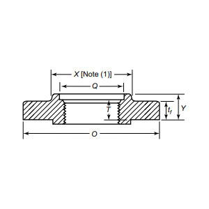
| Predstavenie funkcie | Závitová príruba sa pripája k rúrke so závitom cez vnútorný rúrkový závit, čím sa eliminuje zváranie. Ideálne pre galvanizované oceľové rúry alebo obmedzené zváracie prostredia (horľavé/výbušné). Vyznačuje sa jednoduchou inštaláciou a flexibilnou údržbou, zvlášť vhodný pre legovanú oceľ a iné materiály so zlou zvárateľnosťou. |
| Polia aplikácie | Použiteľné pre potrubné prírubové spoje v diaľkových ropovodov a plynovodov, pobrežné plošiny, chemické zariadenia, systémy na úpravu vody a potravinársky a farmaceutický priemysel, prispôsobené zložitým pracovným podmienkam. |
| Balenie | Balík vhodný na plavbu, preglejkové obaly alebo palety alebo podľa požiadaviek zákazníka |
| Odporúčané produkty | 1, Minimálna objednávka v malej dávke; |
Závitová príruba, ktorá je ideálna pre materiály náchylné na problémy pri zváraní, ako je legovaná oceľ, zachováva integritu materiálu a zabraňuje krehkosti alebo deformácii spôsobenej teplom. Jeho konštrukcia odolná voči korózii, dostupná z uhlíkovej ocele alebo nehrdzavejúcej ocele, zaisťuje dlhú životnosť aj v drsnom prostredí, od pobrežných vrtných plošín až po sanitárne systémy na potravinárske účely. Táto príruba, podporovaná prísnym dodržiavaním globálnych štandardov, zaručuje spoľahlivosť v náročných aplikáciách, vrátane hydraulických systémov, kryogénnych potrubí a prenosov horľavých tekutín. Pre odvetvia, ktoré uprednostňujú bezpečnosť, efektívnosť a nákladovo efektívnu údržbu, je závitová príruba transformačným riešením. Pozdvihnite svoju infraštruktúru ešte dnes s našimi prémiovými závitovými prírubami – kde sa inovácia stretáva s nekompromisnou bezpečnosťou a umožňuje vašim systémom bezchybnú prevádzku v tých najnáročnejších podmienkach. Vyberte si dôveru, vyberte si trvanlivosť a predefinujte potenciál svojho potrubia.
Od suroviny až po konečnú dodávku udržiavame prísnu kontrolu v každej fáze, aby sme zaistili trvanlivosť, výkon a konzistenciu.
01
02
03
04
05
06
07
08
09
10
11
12
